產品列表
產品簡述

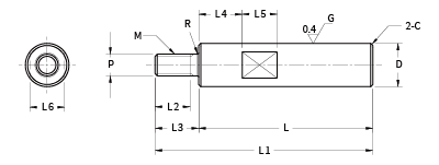
一端外螺紋帶扳手槽型˙SUJ2/SUS440C˙表面處理可選擇鍍硬鉻

下載
2D 3D
詢價
  • 產品規格
  • 為何選擇漢德威
訂購範例
HFP008-A-6-L-L2-L3-L4-M-A(可追加工項目)
HFP008 材質 (硬度、表面處理、鍍膜厚度) 6 L L2 L3 L4 M 追加工項目
| | | | | | | | |
型號 A~D D 外徑尺寸 導桿長度 螺紋牙長 螺紋長度 板手槽位置 選擇螺紋M A~F

D(mm) 真圓度(µm)
<13 0.004
<20 0.005
<30 0.006
D(mm) 焠火深度(mm)
SUJ2 SUS440C
<10 0.5 0.5
<13 0.7 0.5
<20 0.7 0.7
<25 1.0 0.7
L(mm) TOL. 公差(mm)
<6 ±0.1
<30 ±0.2
<120 ±0.3
<400 ±0.5
<1000 ±0.8
<1500 ±1.2
STEP.1
請先選擇A~D,再選擇外徑尺寸、導桿長度、螺紋牙長、螺紋長度、板手槽位置和選擇螺紋M,並確認所選規格參數
型號 材質 熱處理 硬度 表面處理 鍍膜厚度
HFP008-A SUJ2(1.3505)軸承鋼 高頻焠火 HRC58~ - -
HFP008-C 鍍硬鉻 5µm
HFP008-D SUS440C(1.4125)不鏽鋼 HRC56~
HFP008-B - -
D TOL. L(u:1mm) L2(u:1mm) L3(u:1mm) L4(u:1mm) M=P Max.L1 L5 L6 C
6 -0.004
-0.012
25~598 When P≤6
L2≤L3-2

When P=8&10
L2≤L3-3

When P≥12
L2≤L3-5
2≤L3≤Px5 L4+L5≤L 3/4/5 600 8 5 0.5
8 -0.005
-0.014
25~798 2≤L3≤Px5 L4+L5≤L 3/4/5/6 800 8 7 0.5
10 -0.005
-0.014
25~798 2≤L3≤Px5 L4+L5≤L 4/5/6/8 800 8 8 0.5
12 -0.006
-0.017
25~998 2≤L3≤Px5 L4+L5≤L 5/6/8/10 1000 10 10 0.5
13 -0.006
-0.017
25~998 2≤L3≤Px5 L4+L5≤L 5/6/8/10/12 1000 10 11 0.5
15 -0.006
-0.017
25~998 2≤L3≤Px5 L4+L5≤L 5/6/8/10/12 1000 10 13 0.5
16 -0.006
-0.017
25~1198 2≤L3≤Px5 L4+L5≤L 5/6/8/10/12 1200 10 14 0.5
18 -0.006
-0.017
25~1198 2≤L3≤Px5 L4+L5≤L 5/6/8/10/12/16 1200 10 16 0.5
20 -0.007
-0.020
25~1198 2≤L3≤Px5 L4+L5≤L 6/8/10/12/16 1200 10 17 1.0
25 -0.007
-0.020
25~1198 2≤L3≤Px5 L4+L5≤L 8/10/12/16/20/24 1200 10 22 1.0
30 -0.007
-0.020
25~1498 2≤L3≤Px5 L4+L5≤L 8/10/12/16/20/24 1200 15 27 1.0
STEP.2
請選擇追加工項目




A 長度公差變更 B 單板手槽或雙板手槽加工 C 單平面或雙平面加工 D 單90度平面或雙90度平面 F 單鍵槽或雙鍵槽加工
訂購
範例
HFP008-A-6-100-5-10-50-M5-A(±0.03)
HFP008-A-6-100-5-10-50-M5-B or 2B HFP008-A-6-100-5-10-50-M5-C or 2C HFP008-A-6-100-5-10-50-M5-D or 2D HFP008-A-6-100-5-10-50-M5-F or 2F

HEADWAY 漢德威以卓越的品質、堅定的承諾和建立夥伴關係的精神,為您呈現。作為自動化與模具零組件製造商,我們深諳自動化與模具技術,並不斷創新和改進,確保產品在性能和可靠性方面表現出色。

在 HEADWAY 漢德威的官方網站上,不僅可以瀏覽產品型錄,每款產品都代表著我們對品質的承諾和對客戶需求的回應。我們嚴格控制製造過程,使用高品質材料並進行精密加工,確保每個產品都能完美符合您的期望。

(1).一貫化生產。

(2).無最小起定量,一個也能製作。

(3).100%檢驗-從生產到檢驗設備都由漢德威來完成。

(4).接受來圖詢問客製加工品。

(5).產品問題及後續售後服務,專人為您服務。