產品列表
- 產品規格
- 為何選擇漢德威
訂購範例
HFP011-A-4-L-M-N-A(可追加工項目)
| HFP011 | 材質 (硬度、表面處理、鍍膜厚度) | 4 | L | M | N | 追加工項目 |
|---|---|---|---|---|---|---|
| | | | | | | | | | | | | | |
| 型號 | A~D | D 外徑尺寸 | 導桿長度 | 選擇螺紋M | 選擇螺紋N | A~F |

| D(mm) | 真圓度(µm) |
|---|---|
| <13 | 0.004 |
| <20 | 0.005 |
| <30 | 0.006 |
| D(mm) | 焠火深度(mm) | |
|---|---|---|
| SUJ2 | SUS440C | |
| <10 | 0.5 | 0.5 |
| <13 | 0.7 | 0.5 |
| <20 | 0.7 | 0.7 |
| <25 | 1.0 | 0.7 |
| L(mm) | TOL. 公差(mm) |
|---|---|
| <6 | ±0.1 |
| <30 | ±0.2 |
| <120 | ±0.3 |
| <400 | ±0.5 |
| <1000 | ±0.8 |
| <1500 | ±1.2 |
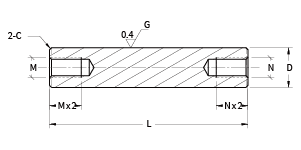
STEP.1
請先選擇A~D,再選擇外徑尺寸、導桿長度、選擇螺紋M和選擇螺紋N,並確認所選規格參數
| 型號 | 材質 | 熱處理 | 硬度 | 表面處理 | 鍍膜厚度 |
|---|---|---|---|---|---|
| HFP011-A | SUJ2(1.3505)軸承鋼 | 高頻焠火 | HRC58~ | - | - |
| HFP011-C | 鍍硬鉻 | 5µm | |||
| HFP011-D | SUS440C(1.4125)不鏽鋼 | HRC56~ | |||
| HFP011-B | - | - |
| D | TOL. | L(u:1mm) | M&N | C |
|---|---|---|---|---|
| 4 | -0.004 -0.012 |
20~300 | 2 | 0.2 |
| 5 | -0.004 -0.012 |
20~400 | 2.6/3 | 0.2 |
| 6 | -0.004 -0.012 |
20~600 | 3 | 0.5 |
| 8 | -0.005 -0.014 |
20~800 | 3/4/5 | 0.5 |
| 10 | -0.005 -0.014 |
20~800 | 3/4/5/6 | 0.5 |
| 12 | -0.006 -0.017 |
20~1000 | 4/5/6/8 | 0.5 |
| 13 | -0.006 -0.017 |
25~1000 | 4/5/6/8 | 0.5 |
| 15 | -0.006 -0.017 |
25~1000 | 4/5/6/8/10 | 0.5 |
| 16 | -0.006 -0.017 |
30~1200 | 4/5/6/8/10 | 0.5 |
| 18 | -0.006 -0.017 |
30~1200 | 4/5/6/8/10/12 | 0.5 |
| 20 | -0.007 -0.020 |
30~1200 | 4/5/6/8/10/12 | 1.0 |
| 25 | -0.007 -0.020 |
35~1200 | 4/5/6/8/10/12/16 | 1.0 |
| 30 | -0.007 -0.020 |
35~1500 | 6/8/10/12/16/20 | 1.0 |
STEP.2
請選擇追加工項目
| 追 加 工 項 目 |
A 長度公差變更 | B 單板手槽或雙板手槽加工 | C 單平面或雙平面加工 | D 單90度平面或雙90度平面 |
|---|---|---|---|---|
![]() |
![]() |
![]() |
![]() |
|
| 訂購 範例 |
HFP011-A-4-100-M2-N2-A(±0.03) |
HFP011-A-4-100-M2-N2-B or 2B |
HFP011-A-4-100-M2-N2-C or 2C | HFP011-A-4-100-M2-N2-D or 2D |
HEADWAY 漢德威以卓越的品質、堅定的承諾和建立夥伴關係的精神,為您呈現。作為自動化與模具零組件製造商,我們深諳自動化與模具技術,並不斷創新和改進,確保產品在性能和可靠性方面表現出色。
在 HEADWAY 漢德威的官方網站上,不僅可以瀏覽產品型錄,每款產品都代表著我們對品質的承諾和對客戶需求的回應。我們嚴格控制製造過程,使用高品質材料並進行精密加工,確保每個產品都能完美符合您的期望。
(1).一貫化生產。
(2).無最小起定量,一個也能製作。
(3).100%檢驗-從生產到檢驗設備都由漢德威來完成。
(4).接受來圖詢問客製加工品。
(5).產品問題及後續售後服務,專人為您服務。







