產品列表
- 產品規格
- 產品特色
- 為何選擇漢德威
訂購範例
HJMX-60L-B5-O
| HJMX | 60 | L | B5 | O |
|---|---|---|---|---|
| | | | | | | | | | |
| 軸方向 | 台面尺寸 | 感測器及連接器位置 | 螺桿等級 | 電機品牌 |
| HJMXYZ:XYZ stage | 60:60x60mm 80:80x80mm 812:80x130mm 816:80x160mm |
L: Left from Motor (馬達左側) R: Right from Motor (馬達右側) |
B5:C5 Grade BallScrew B7:C7 Grade Ball Screw |
O: Oriental Motor(5Phase) (東方) S: Sanyo(2Phase) (三洋) E: Ezi-Servo (司麥德) Y: Yaskawa Servo (台灣安川) M: Mitsubish Servo (三菱) |
STEP.1
請選擇軸方向、台面尺寸、螺桿等級以及電機品牌後,再確認所選規格參數
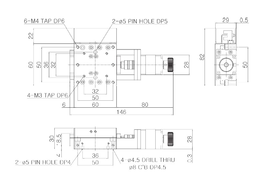
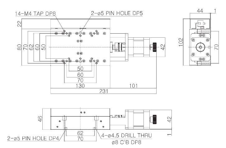
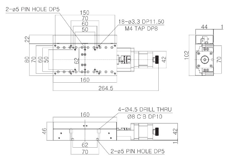
| 型號 | 台面尺寸 | 行程 | 移動導向 | 分解能力 | 最高速度 | 適用螺桿 | 精密度 | 反覆定位精密度 | 負載 | 平行度 | 移動平行度 | 直線度 | 重量 | 材質 | 表面處理 |
|---|---|---|---|---|---|---|---|---|---|---|---|---|---|---|---|
| HJMX-60 | 60×60mm | 20mm | Crossed-Roller guide | 2μm(Full step) | 10mm/秒(基於5相馬達) | Ø8, lead 1(C5/C7) |
7μm(C5)/ 12μm(C7) |
±1.5μm(C5)/ ±3μm(C7) |
5 Kgf | 20μm | 10μm | 8μm | 0.45kg | Aluminum | Black Anodizing |
| HJMX-80 | 80×80mm | 30mm | Crossed-Roller guide | 2μm(Full step) | 10mm/秒(基於5相馬達) | Ø8, lead 1(C5/C7) |
7μm(C5)/ 12μm(C7) |
±1.5μm(C5)/ ±3μm(C7) |
10 Kgf | 30μm | 15μm | 8μm | 1.4kg | Aluminum | Black Anodizing |
| HJMX-812 | 80×130mm | 60mm | Crossed-Roller guide | 2μm(Full step) | 10mm/秒(基於5相馬達) | Ø8, lead 1(C5/C7) |
7μm(C5)/ 12μm(C7) |
±1.5μm(C5)/ ±3μm(C7) |
15 Kgf | 30μm | 15μm | 8μm | 1.8kg | Aluminum | Black Anodizing |
| HJMX-816 | 80×160mm | 100mm | Crossed-Roller guide | 2μm(Full step) | 10mm/秒(基於5相馬達) | Ø8, lead 1(C5/C7) |
10μm(C5)/ 15μm(C7) |
±1.5μm(C5)/ ±3μm(C7) |
18 Kgf | 30μm | 15μm | 8μm | 2.2kg | Aluminum | Black Anodizing |
| HJMX-60 | HJMX-80 | HJMX-812 | HJMX-816 |
|---|---|---|---|
![]() |
![]() |
![]() |
![]() |
電動精密滑台是一種以馬達驅動並搭配精密導軌與滾珠螺桿的直線運動元件,能實現高精度的位置控制與穩定的直線運動。其核心特點在於透過程式控制與自動化操作,不僅能有效提升定位精度,也能確保長時間運行下的穩定性與重複性。相比傳統手動滑台,電動精密滑台能大幅減少操作誤差,並提供更高的效率與一致性。
在結構設計方面,電動精密滑台多採用高剛性材質與精密加工工藝,確保在高負載或長行程條件下仍能維持運動的平穩性。其驅動方式常結合伺服馬達或步進馬達,搭配高精度感測器進行閉迴路控制,能實現奈米級到微米級的定位需求,適用於要求嚴苛的製程環境。
應用領域包含:
- 半導體產業:晶圓定位、檢測與製程設備
- 光學檢測:鏡頭對位、光學組件測試
- 精密製造:微細加工、量測與自動化組裝
憑藉高精度控制與自動化特性,電動精密滑台已成為現代精密工程與先進製造中不可或缺的關鍵元件。
HEADWAY 漢德威以卓越的品質、堅定的承諾和建立夥伴關係的精神,為您呈現。作為自動化與模具零組件製造商,我們深諳自動化與模具技術,並不斷創新和改進,確保產品在性能和可靠性方面表現出色。
在 HEADWAY 漢德威的官方網站上,不僅可以瀏覽產品型錄,每款產品都代表著我們對品質的承諾和對客戶需求的回應。我們嚴格控制製造過程,使用高品質材料並進行精密加工,確保每個產品都能完美符合您的期望。
(1).一貫化生產。
(2).無最小起定量,一個也能製作。
(3).100%檢驗-從生產到檢驗設備都由漢德威來完成。
(4).接受來圖詢問客製加工品。
(5).產品問題及後續售後服務,專人為您服務。







