產品列表
產品簡述

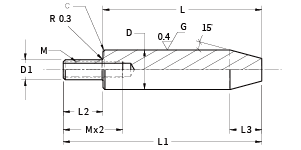
一台階內螺紋帶錐度型˙SUJ2/SUS440C˙表面處理可選擇鍍硬鉻

下載
2D 3D
詢價
  • 產品規格
  • 為何選擇漢德威
訂購範例
HFP031-A-8-D1-L-L2-L3-M-A(可追加工項目)
HFP031 材質 (硬度、表面處理、鍍膜厚度) 6 D1 L L2 L3 M 追加工項目
| | | | | | | | |
型號 A~D D 外徑尺寸 軸頸外徑 導桿長度 軸頸牙長 錐角長度 選擇螺紋M A~F

D(mm) 真圓度(µm)
<13 0.004
<20 0.005
<30 0.006
D(mm) 焠火深度(mm)
SUJ2 SUS440C
<10 0.5 0.5
<13 0.7 0.5
<20 0.7 0.7
<25 1.0 0.7
L(mm) TOL. 公差(mm)
<6 ±0.1
<30 ±0.2
<120 ±0.3
<400 ±0.5
<1000 ±0.8
<1500 ±1.2
STEP.1
請先選擇A~D,再選擇外徑公差軸頸外徑、導桿長度、軸頸牙長、錐角長度和選擇螺紋M,並確認所選規格參數
型號 材質 熱處理 硬度 表面處理 鍍膜厚度
HFP031-A SUJ2(1.3505)軸承鋼 高頻焠火 HRC58~ - -
HFP031-C 鍍硬鉻 5µm
HFP031-D SUS440C(1.4125)不鏽鋼 HRC56~
HFP031-B - -
D TOL. D1 L(u:1mm) L2(u:1mm) L3(u:1mm) M Max.L1 C
8 -0.005
-0.014
6 25~200 2≤L2≤D1x4 5~10 3 200 0.5
10 -0.005
-0.014
6~8 30~200 2≤L2≤D1x4 5~14 3/4/5 200 0.5
12 -0.006
-0.017
6~10 40~300 2≤L2≤D1x4 5~18 3/4/5/6 300 0.5
13 -0.006
-0.017
6~11 40~300 2≤L2≤D1x4 5~20 3/4/5/6/8 300 0.5
15 -0.006
-0.017
6~13 50~300 2≤L2≤D1x4 10~24 3/4/5/6/8/10 300 0.5
16 -0.006
-0.017
6~14 50~500 2≤L2≤D1x4 10~25 3/4/5/6/8/10 500 0.5
18 -0.006
-0.017
8~16 60~500 2≤L2≤D1x4 10~28 4/5/6/8/10/12 500 0.5
20 -0.007
-0.020
8~17 60~500 2≤L2≤D1x4 10~32 4/5/6/8/10/12 500 1.0
STEP.2
請選擇追加工項目




B 單板手槽或雙板手槽加工
訂購
範例
HFP031-A-8-6-100-10-6-M3-B or 2B

HEADWAY 漢德威以卓越的品質、堅定的承諾和建立夥伴關係的精神,為您呈現。作為自動化與模具零組件製造商,我們深諳自動化與模具技術,並不斷創新和改進,確保產品在性能和可靠性方面表現出色。

在 HEADWAY 漢德威的官方網站上,不僅可以瀏覽產品型錄,每款產品都代表著我們對品質的承諾和對客戶需求的回應。我們嚴格控制製造過程,使用高品質材料並進行精密加工,確保每個產品都能完美符合您的期望。

(1).一貫化生產。

(2).無最小起定量,一個也能製作。

(3).100%檢驗-從生產到檢驗設備都由漢德威來完成。

(4).接受來圖詢問客製加工品。

(5).產品問題及後續售後服務,專人為您服務。