產品列表
- 產品規格
- 為何選擇漢德威
訂購範例
HFP022-A-8-D1-L-L2-L3-M-A(可追加工項目)
| HFP021 | 材質 (硬度、表面處理、鍍膜厚度) | 8 | D1 | L | L2 | L3 | M | 追加工項目 |
|---|---|---|---|---|---|---|---|---|
| | | | | | | | | | | | | | | | | | |
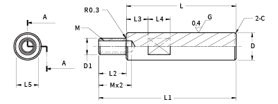
| 型號 | A~D | D 外徑尺寸 | 軸頸外徑 | 導桿長度 | 螺紋長度 | 扳手槽位置 | 選擇螺紋M | A~F |

| D(mm) | 真圓度(µm) |
|---|---|
| <13 | 0.004 |
| <20 | 0.005 |
| <30 | 0.006 |
| D(mm) | 焠火深度(mm) | |
|---|---|---|
| SUJ2 | SUS440C | |
| <10 | 0.5 | 0.5 |
| <13 | 0.7 | 0.5 |
| <20 | 0.7 | 0.7 |
| <25 | 1.0 | 0.7 |
| L(mm) | TOL. 公差(mm) |
|---|---|
| <6 | ±0.1 |
| <30 | ±0.2 |
| <120 | ±0.3 |
| <400 | ±0.5 |
| <1000 | ±0.8 |
| <1500 | ±1.2 |
STEP.1
請先選擇A~D,再選擇外徑尺寸、軸頸外徑、導桿長度、螺紋長度和選擇螺紋M,並確認所選規格參數
| 型號 | 材質 | 熱處理 | 硬度 | 表面處理 | 鍍膜厚度 |
|---|---|---|---|---|---|
| HFP022-A | SUJ2(1.3505)軸承鋼 | 高頻焠火 | HRC58~ | - | - |
| HFP022-C | 鍍硬鉻 | 5µm | |||
| HFP022-D | SUS440C(1.4125)不鏽鋼 | HRC56~ | |||
| HFP022-B | - | - |
| D | TOL. | D1(u:1mm) | L(u:1mm) | L2(u:1mm) | L3(u:1mm) | M | Max.L1 | L4 | L5 | C |
|---|---|---|---|---|---|---|---|---|---|---|
| 8 | -0.005 -0.014 |
6 | 25~798 | 2≤L2≤D1x4 | L3+L4≤L | 3 | 800 | 8 | 7 | 0.5 |
| 10 | -0.005 -0.014 |
6~8 | 25~798 | 2≤L2≤D1x4 | L3+L4≤L | 3/4/5 | 800 | 8 | 8 | 0.5 |
| 12 | -0.006 -0.017 |
6~10 | 25~998 | 2≤L2≤D1x4 | L3+L4≤L | 3/4/5/6 | 1000 | 10 | 10 | 0.5 |
| 13 | -0.006 -0.017 |
6~11 | 25~998 | 2≤L2≤D1x4 | L3+L4≤L | 3/4/5/6/8 | 1000 | 10 | 11 | 0.5 |
| 15 | -0.006 -0.017 |
6~13 | 25~998 | 2≤L2≤D1x4 | L3+L4≤L | 3/4/5/6/8/10 | 1000 | 10 | 13 | 0.5 |
| 16 | -0.006 -0.017 |
6~14 | 25~1198 | 2≤L2≤D1x4 | L3+L4≤L | 3/4/5/6/8/10 | 1200 | 10 | 14 | 0.5 |
| 18 | -0.006 -0.017 |
8~16 | 25~1198 | 2≤L2≤D1x4 | L3+L4≤L | 4/5/6/8/10/12 | 1200 | 10 | 16 | 0.5 |
| 20 | -0.007 -0.020 |
8~17 | 25~1198 | 2≤L2≤D1x4 | L3+L4≤L | 4/5/6/8/10/12 | 1200 | 10 | 17 | 1.0 |
| 25 | -0.007 -0.020 |
8~22 | 25~1198 | 2≤L2≤D1x4 | L3+L4≤L | 4/5/6/8/10/12/16 | 1200 | 10 | 22 | 1.0 |
| 30 | -0.007 -0.020 |
9~27 | 25~1498 | 2≤L2≤D1x4 | L3+L4≤L | 5/6/8/10/12/16/20/24 | 1500 | 15 | 27 | 1.0 |
STEP.2
請選擇追加工項目
| 追 加 工 項 目 |
A 長度公差變更 | C 單平面或雙平面加工 | D 單90度平面或雙90度平面 | F 單鍵槽或雙鍵槽加工 |
|---|---|---|---|---|
![]() |
![]() |
![]() |
![]() |
|
| 訂購 範例 |
HFP022-A-8-6-100-10-20-M3-A(±0.03) |
HFP022-A-8-6-100-10-20-M3-C or 2C | HFP022-A-8-6-100-10-20-M3-D or 2D | HFP022-A-8-6-100-10-20-M3-F or 2F |
HEADWAY 漢德威以卓越的品質、堅定的承諾和建立夥伴關係的精神,為您呈現。作為自動化與模具零組件製造商,我們深諳自動化與模具技術,並不斷創新和改進,確保產品在性能和可靠性方面表現出色。
在 HEADWAY 漢德威的官方網站上,不僅可以瀏覽產品型錄,每款產品都代表著我們對品質的承諾和對客戶需求的回應。我們嚴格控制製造過程,使用高品質材料並進行精密加工,確保每個產品都能完美符合您的期望。
(1).一貫化生產。
(2).無最小起定量,一個也能製作。
(3).100%檢驗-從生產到檢驗設備都由漢德威來完成。
(4).接受來圖詢問客製加工品。
(5).產品問題及後續售後服務,專人為您服務。







