產品列表
- 產品規格
- 產品特色
- 為何選擇漢德威
訂購範例
HJX-25-L
| HJX | 25 | L |
|---|---|---|
| | | | | | |
| 型號 | 台面尺寸 | 千分尺位置 |
STEP.1
請選擇型號、台面尺寸以及千分尺位置後,再確認所選規格參數
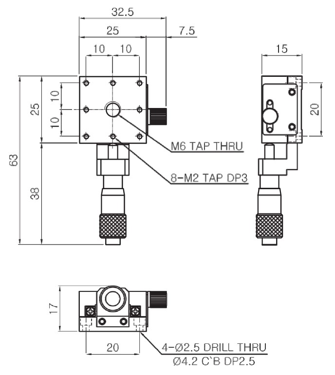
| 型號 | 台面尺寸 | 千分尺位置 | 行程 | 刻度 | 導向類型 | 負載 | 平行度 | 移動平行度 | 重量 | 材質 | 表面處理 |
|---|---|---|---|---|---|---|---|---|---|---|---|
| HJX-25L | 25×25mm | Left | ±3.25mm | 10μm | Linear Ball Guide | 1.2kgf | 30μm | 10μm | 0.06kg | Aluminum | Black Anodizing |
| HJX-25R | 25×25mm | Right | ±3.25mm | 10μm | Linear Ball Guide | 1.2kgf | 30μm | 10μm | 0.06kg | Aluminum | Black Anodizing |
| HJX-25C | 25×25mm | Center | ±3.25mm | 10μm | Linear Ball Guide | 1.2kgf | 30μm | 10μm | 0.06kg | Aluminum | Black Anodizing |
| HJX-25L | HJX-25R | HJX-25C |
|---|---|---|
![]() |
![]() |
![]() |
手動精密滑台是一種透過旋鈕或微分頭進行驅動的定位裝置,可在直線或旋轉方向上提供穩定且高精度的運動控制。它不依賴電力或程式驅動,結構簡單、可靠性高,適合需要人工調整與精密定位的應用場合。
應用情況分析:
- 光學平台:鏡頭與光學元件的微調定位
- 半導體檢測:樣品台或治具的精細位移控制
- 實驗室研究:精密測量或材料測試中的位置調整
- 自動化設備搭配:作為初步定位或輔助調整的工具
- 教育與訓練:工程實驗與教學設備上的精密操作
優點:
- 以旋鈕或微分頭調整,無需電源即可使用。
- 提供穩定的直線運動,適合微米級定位需求。
- 採相較電動滑台,成本更低,維護容易。
- 結構堅固,適合長時間使用與多次調整。
- 適合在光學、檢測、科研及教育領域廣泛使用。
HEADWAY 漢德威以卓越的品質、堅定的承諾和建立夥伴關係的精神,為您呈現。作為自動化與模具零組件製造商,我們深諳自動化與模具技術,並不斷創新和改進,確保產品在性能和可靠性方面表現出色。
在 HEADWAY 漢德威的官方網站上,不僅可以瀏覽產品型錄,每款產品都代表著我們對品質的承諾和對客戶需求的回應。我們嚴格控制製造過程,使用高品質材料並進行精密加工,確保每個產品都能完美符合您的期望。
(1).一貫化生產。
(2).無最小起定量,一個也能製作。
(3).100%檢驗-從生產到檢驗設備都由漢德威來完成。
(4).接受來圖詢問客製加工品。
(5).產品問題及後續售後服務,專人為您服務。






