產品列表
產品簡述
下載
詢價
  • 產品規格
  • 產品特色
  • 為何選擇漢德威
訂購範例
HJT-8087L-80-87
HJT-8087L 80 87
| | |
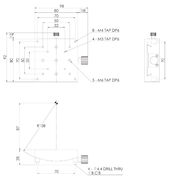
型號 台面尺寸 旋轉半徑
STEP.1
請選擇型號、台面尺寸以及旋轉半徑後,再確認所選規格參數
型號 台面尺寸 旋轉半徑 行程 游標刻度 旋轉角度 移動導向 負載 重量 材質 表面處理
HJT-8087L 80×80 mm 87 mm ±15° 0.1° /Vernier ≒0.9° Dovetail, Worm & Gear 8kgf 0.53kg Aluminum Black Anodizing
HJT-8087R
HJT-8087L HJT-8087R

弧形測角滑台是一種專門用於精密角度調整的定位平台,能沿著圓弧軌跡進行高精度的旋轉運動。透過精密導軌與調整機構,使用者可在有限的角度範圍內進行微小而穩定的角度變化。此類滑台廣泛應用於光學、半導體與檢測產業,適合需要角度校正與光軸對準的應用情境。


應用情況分析:

  • 光學實驗:雷射光學系統中光軸的角度校正與鏡片定位
  • 半導體產業:晶片或元件在測試治具中的角度微調
  • 精密檢測:量測儀器中樣品台的角度控制
  • 科研應用:材料測試與物理實驗中的角度定位
  • 自動化平台:與直線滑台搭配,實現多自由度運動

優點:

  • 提供微米級直線轉換成高精度角度定位。
  • 採用弧形導軌設計,運動平順、無明顯晃動。
  • 可搭配微分頭或手動旋鈕,實現細微調整。
  • 適用於光學調整、半導體測試與科研領域。
  • 可與直線滑台或旋轉滑台結合,實現複合運動控制。

HEADWAY 漢德威以卓越的品質、堅定的承諾和建立夥伴關係的精神,為您呈現。作為自動化與模具零組件製造商,我們深諳自動化與模具技術,並不斷創新和改進,確保產品在性能和可靠性方面表現出色。

在 HEADWAY 漢德威的官方網站上,不僅可以瀏覽產品型錄,每款產品都代表著我們對品質的承諾和對客戶需求的回應。我們嚴格控制製造過程,使用高品質材料並進行精密加工,確保每個產品都能完美符合您的期望。

(1).一貫化生產。

(2).無最小起定量,一個也能製作。

(3).100%檢驗-從生產到檢驗設備都由漢德威來完成。

(4).接受來圖詢問客製加工品。

(5).產品問題及後續售後服務,專人為您服務。