產品列表
- 產品規格
- 產品特色
- 為何選擇漢德威
訂購範例
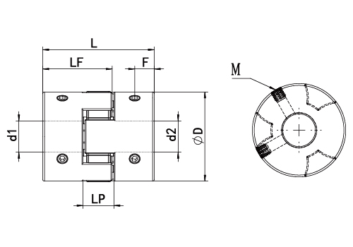
HGF-40×66-6-8
| HGF | 40 | 66 | 6 | 8 |
|---|---|---|---|---|
| | | | | | | | | | |
| 型號 | 外徑 | 長度 | d1軸徑 | d2軸徑 |
如需另外新增鍵槽,請在型號後加"K"。例:HGFK-40×66-6-8

STEP.1
請選擇型號以及常用 d1/d2 內徑尺寸,並確認所選規格參數
| 型號 | 常用 d1/d2 內徑尺寸 | ∅D | L | LF | LP | F | M | 螺絲鎖緊力矩 (N.M) |
|---|---|---|---|---|---|---|---|---|
| HGF-40×66 | 6-8-9-10-11-12-12.7-13-14-15-16-17-18-19-20-22-24 | 40 | 66 | 39.1 | 13.8 | 12.75 | M5 | 4 |
什麼是聯軸器?
聯軸器是指連接不同機構中的兩根軸(主動軸和從動軸),使之共同旋轉以傳遞力矩或旋轉角的機械零件。聯軸器對兩軸之間發生的位移進行補償,並且具有吸收振動,緩和衝擊的能力,即使在運轉過程中傳動異常對旋轉軸施加過大力矩時,聯軸器首先損壞,從而起到保護馬達的作用。
功能特點
- 傳遞扭矩:將一個旋轉體的動力傳遞給另一個旋轉體。
- 吸收振動:減少因旋轉不均勻所產生的振動,提高系統的穩定性。
- 補償誤差:允許軸線間存在微小的偏移、角度誤差或軸向位移,增加系統的彈性。
- 保護設備:在系統過載時,有些聯軸器會產生滑動或斷裂,以保護其他昂貴的元件。
聯軸器的選擇
- 聯軸器雖然是傳遞力矩和旋轉角的機械零件,但各有其固定的特長,所以在選型過程中,必須充分考慮使用時的必要特性,從而選擇最適合的聯軸器。
- 在決定選型之後,在參考本產品的外型尺寸和技術參數決定其型號。
安裝方式及注意事項
- 安裝聯軸器時,請務必進行嚴格的校準調整,建議使用凹凸配合的方法進行兩軸對心,或者採用直角尺貼 在本體外周部,用約呈90°相離的兩點進行檢查,以保證聯軸器的最高同心度,否則聯軸器的使用壽命根 據對心精度的不同會受到很大的影響。
- 為避免安裝時意外的發生,請務必切斷驅動裝置的主電源並確認安全後再進行安裝。
- 安裝本聯軸器請清除附著在安裝軸及聯軸器孔徑面上的灰塵及異物等。
- 為了充分發揮聯軸器的最佳性能,當安裝過程中同時出現兩個或兩個以上偏差值時,選型時的容許值考慮在一半以下。
聯軸器在這些應用領域中的作用不僅限於傳遞扭矩和補償位移,還有助於提高整個系統的安全性和運行效率。
| 應用領域 | 具體應用 | 主要功能 |
|---|---|---|
| 工業製造 | 機械加工設備、鑄造機械、鋼鐵製造、重型機械 | 傳遞高扭矩、補償位移,減少振動、緩衝衝擊 |
| 動力傳動系統 | 電動機與發電機的連接、變速箱、傳動軸 | 傳遞動力,確保動力系統高效運轉 |
| 汽車工業 | 變速箱與引擎連接、驅動軸與輪軸連接 | 吸收振動與衝擊,增強動力傳輸穩定性 |
| 風力發電 | 風力渦輪機的發電機、齒輪箱與軸連接 | 在變化風速下傳遞穩定扭矩,容許軸位移 |
| 石油與天然氣行業 | 鑽井設備、壓縮機、泵系統 | 承受高壓與衝擊負荷,適應高溫高壓環境 |
| 航太工業 | 飛機引擎、渦輪機、導彈推進系統 | 高精度傳動,承受高速、高扭矩傳遞 |
| 泵與壓縮機系統 | 化工、石化及水處理設備中的泵、壓縮機 | 減少軸向與徑向負荷,保護軸承和驅動裝置 |
| 機床設備 | 鑽床、車床、銑床、磨床等 | 補償機械位移,提升傳動精度,保護設備 |
| 造紙工業 | 造紙機械、捲紙機與壓輥 | 承受高扭矩並減少傳動振動 |
| 礦業與採礦業 | 挖掘機、傳送帶、礦車驅動系統 | 承受高負載與衝擊,適應惡劣環境 |
| 船舶與海洋工業 | 船舶推進系統、渦輪機、螺旋槳驅動系統 | 高扭矩傳遞,適應海洋潮濕與高腐蝕環境 |
| 農業機械 | 拖拉機、播種機、收割機等機械設備 | 傳遞穩定扭矩,補償農田作業時的地形位移 |
| 電梯與升降設備 | 電梯、起重機、升降機等 | 精確控制升降速度與傳動動力,保護驅動裝置 |
HEADWAY 漢德威以卓越的品質、堅定的承諾和建立夥伴關係的精神,為您呈現。作為自動化與模具零組件製造商,我們深諳自動化與模具技術,並不斷創新和改進,確保產品在性能和可靠性方面表現出色。
在 HEADWAY 漢德威的官方網站上,不僅可以瀏覽產品型錄,每款產品都代表著我們對品質的承諾和對客戶需求的回應。我們嚴格控制製造過程,使用高品質材料並進行精密加工,確保每個產品都能完美符合您的期望。
(1).一貫化生產。
(2).無最小起定量,一個也能製作。
(3).100%檢驗-從生產到檢驗設備都由漢德威來完成。
(4).接受來圖詢問客製加工品。
(5).產品問題及後續售後服務,專人為您服務。




