产品列表
- 产品规格
- 为何选择汉德威
订购范例
HFB014-A-12-I
*附六角螺栓。
| HFB014 | 材质和表面处理 | 8 | I / II |
|---|---|---|---|
| | | | | | | | |
| 型号 | A:S45C 中碳钢˙染黑 | D 内径尺寸 | 法兰样式 |
| B:S45C 中碳钢˙镀无电解镍 | |||
| C:SUS304 不锈钢 |

| 内径公差 | ||||
|---|---|---|---|---|
| D | 8~10 | 12~16 | 20~30 | 40 |
| H7 | +0.015 0 |
+0.018 0 |
+0.021 0 |
+0.025 0 |
| 附属品 | ||||||
|---|---|---|---|---|---|---|
| D | 8~8M | 10 | 12~16 | 20~35 | 30~35 | 40 |
| 螺 栓 |
M4x10 | M5x10 | M5x12 | M5x16 | M6x20 | M8x26 |
STEP.1
请先选择材质和表面处理方式,再选择内径尺寸和确认所选规格参数
| 型号 | 材质 | 表面处理 |
|---|---|---|
| HFB014-A | S45C 中碳钢 | 染黑 |
| HFB014-B | 镀无电解镍 | |
| HFB014-C | SUS304 不锈钢 | - |
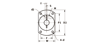
| D | 支撑部厚度(N) | L | D1 | D2 | T | B | P | W | P1 | F | d | S | S1 | X | Y | d1 | d2 | M |
|---|---|---|---|---|---|---|---|---|---|---|---|---|---|---|---|---|---|---|
| 8 | 8.5 | 23 | 25 | 39 | 5 | 10 | 32 | 27 | 25 | 20 | 3.5 | 1.5 | 1.5 | 7.5 | 3.5 | 7.5 | 4.6 | M4 |
| 8A | 8.5 | 23 | 25 | 39 | 5 | 10 | 32 | 27 | 25 | 20 | 4.5 | 1.5 | 1.5 | 7.5 | 3.5 | 7.5 | 4.6 | M4 |
| 10 | 10 | 25 | 30 | 49 | 5 | 10 | 40 | 32 | 33 | 23 | 4.5 | 1.5 | 1.5 | 10 | 3 | 9 | 5.6 | M5 |
| 12 | 10 | 28 | 32 | 52 | 6 | 10 | 42 | 34 | 35 | 25 | 4.5 | 1.5 | 1.5 | 11 | 4 | 9 | 5.6 | M5 |
| 15 | 10 | 33 | 35 | 56 | 6 | 12 | 46 | 37 | 37 | 27 | 5.5 | 1.5 | 1.5 | 12 | 5 | 9 | 5.6 | M5 |
| 16 | 9.5 | 36 | 35 | 56 | 6 | 12 | 46 | 37 | 37 | 27 | 5.5 | 1.5 | 1.5 | 12 | 5 | 9 | 5.6 | M5 |
| 20 | 10 | 40 | 40 | 64 | 8 | 12 | 52 | 42 | 43 | 30 | 6.6 | 1.5 | 2 | 14 | 6 | 9 | 5.6 | M5 |
| 25 | 10 | 46 | 45 | 69 | 8 | 15 | 57 | 47 | 46 | 34 | 6.6 | 1.5 | 2 | 17 | 6 | 9 | 5.6 | M5 |
| 30 | 12.5 | 50 | 55 | 79 | 10 | 15 | 67 | 57 | 50 | 45 | 6.6 | 1.5 | 2 | 20 | 10 | 12 | 6.6 | M6 |
| 40 | 15 | 67 | 70 | 104 | 12 | 18 | 87 | 76 | 67 | 55 | 9 | 1.5 | 2 | 26 | 13 | 14 | 9 | M8 |
STEP.2
请选择法兰样式 I / II
| 法 兰 样 式 |
I | II |
|---|---|---|
![]() |
![]() |
HEADWAY 汉德威以卓越的品质、坚定的承诺和建立伙伴关系的精神,为您呈现。作为自动化与模具零组件制造商,我们深谙自动化与模具技术,并不断创新和改进,确保产品在性能和可靠性方面表现出色。
在HEADWAY 汉德威的官方网站上,不仅可以浏览产品型录,每款产品都代表着我们对品质的承诺和对客户需求的回应。我们严格控制制造过程,使用高品质材料并进行精密加工,确保每个产品都能完美符合您的期望。
(1).一贯化生产。
(2).无最小起定量,一个也能制作。
(3).100%检验-从生产到检验设备都由汉德威来完成。
(4).接受来图询问客制加工品。
(5).产品问题及后续售后服务,专人为您服务。





