製品リスト
- 製品規格
- 製品特長
- HEADWAYが選ばれる理由は
注文例
SFT0802-P0-FC7-244R29-UN(追加工加工仕様)
*SFTタイプにP0-FC7-Rはパラメータです。 (詳細内容はカタログダウンロード)
| S | F | T | 08 | 02 | P0 | F | C7 | 244 | R | 29 | UN |
|---|---|---|---|---|---|---|---|---|---|---|---|
| | | | | | | | | | | | | | | | | | | | | | | | |
| S:シングルナット | S:角形 | V:外部循環方式 | 軸径 | リード | P0:予圧無、軸方向隙間有 | G:精密 | 精度 | ねじ部有効長 | R:右ねじ | 全長 | 軸端未加工 |
| D:ダブルナット | R:丸フランジ型 | C:エンドキャップ循環式・スタンダードナット | P1:予圧無、軸方向隙間無 | F:転造 | L:左ねじ | ||||||
| F:二面フランジ型 | T:エンドキャップ循環式・コンパクトナット | P2:軽予圧、軸方向隙間無 | |||||||||
| P3:オフセット予圧、軸方向隙間無 | |||||||||||
| P4:オーバーサイズ予圧、軸方向隙間無 |
特長
- エコノミータイプは搬送用機械に適用。
- コンパクトナット特長は組立にスペースを節約。
- 駆動装置の低床化が対応可能です。
- JIS(ISO)規格に従う。
- 標準タイプ在庫品をご用意(軸端未加工品)
- ナットに給油穴があり、機械の組み立てや定期供給設備点検に使います。
| ボールねじ規格 | |
|---|---|
| 精度等級 | C7 |
| 循環方式 | エンドキャップ方式 |
| 軸方向隙/間予圧量 | P0:予圧無、軸方向隙間有 |
| ねじ軸の材質 | S55C |
| ナットの材質 | SCMA15H |
| ねじれ方向 | 右ねじ |
| グリース使用 | Alvania S2 |
STEP.1
まず、ねじ軸径及びリード0802~1004 、全長(L1)を選定します。ねじ軸径及びナットのパラメータを確認ください。

| 型番 | ねじ軸径 | リード | ボールねじの規格 | |||||||||||||||||
|---|---|---|---|---|---|---|---|---|---|---|---|---|---|---|---|---|---|---|---|---|
| L1 | L2 | L3 | L4 | L5 | L6 | P | D1 | D2 | D3 | D4 | D5 | D6 | D7 | S | N | M | R | |||
| SFT0802 | 08 | 2 | 100~400 | L1-46 | 29.5 | 9 | 0.8 | 6.8 | 7.5 | 8 | 4.5 | 6 | 6 | 5.7 | 9.5 | 6 | 7 | 7 | M6x0.75 | 0.3以下 |
| SFT1002 | 10 | 4 | 150~585 | L1-54 | 35 | 9 | 0.8 | 6.8 | 10 | 10 | 6 | 8 | 6 | 5.7 | 10 | 8 | 8 | 9 | M8x1.0 | 0.3以下 |
| SFT1204 | 12 | 4 | 150~600 | L1-54 | 35 | 9 | 0.8 | 6.8 | 10 | 10 | 6 | 8 | 6 | 5.7 | 10 | 8 | 8 | 9 | M8x1.0 | 0.3以下 |
| ナットの規格 | ねじ谷径 | BCD | 循環数 | 基本定格荷重(N) | |||||||||||
|---|---|---|---|---|---|---|---|---|---|---|---|---|---|---|---|
| LA | LB | LC | DA | DB | H | PCD | X | Y | Z | T | ボール中心径 | 動定格荷重Ca | 静定格荷重Coa | ||
| 16 | 4 | 12 | 27 | 14 | 18 | 21 | 3.4 | - | - | - | 7.21 | 8.41 | 3x1 | 1200 | 2100 |
| 1.2 | |||||||||||||||
| 28 | 5 | 23 | 35 | 18 | 22 | 27 | 4.5 | - | - | - | 9.21 | 10.41 | 3x1 | 1200 | 2100 |
| 1.2 | |||||||||||||||
| 34 | 10 | 24 | 46 | 26 | 28 | 36 | 4.5 | 8 | 4.5 | M6x1.0 | 8.4 | 10.5 | 3x1 | 1870 | 3000 |
STEP.2
追加工概要の選定
| Code | MC | EC | FC | NC | RLC |
|---|---|---|---|---|---|
| 加工 內容 |
![]() |
![]() |
![]() |
![]() |
![]() |
| 説明 | 支持側軸端タップ加工 (指定単位:1mm) 指定方法:MC15 |
支持側軸端加工変更止め 輪溝加工を行いません 指定方法:EC-Q20-E20 |
支持側軸端加工変更止め 輪溝加工を行います 指定方法:FC-Q10-E20 |
支持側軸端加工無 指定方法:NC |
ナット向き変更 指定方法:RLC |
| Code | KC | KLC | SC | SWC & SGC | SZC |
|---|---|---|---|---|---|
| 加工 內容 |
![]() |
![]() |
![]() |
![]() |
![]() |
| 説明 | 固定側軸端キー溝加工 指定方法:KC15 |
固定側軸端キー溝加工 指定方法:KLC-K10-S2 |
固定側軸端平面取加工 指定方法:SC5 |
固定側軸端平面取加工(2ヶ所) 指定方法:SWC6,SGC6 |
固定側軸端スパナ溝加工 指定方法:SZC規格表 ※転造ボールねじのみ指定可能 |
STEP. 3
KC & KLC加工指定
![]() |
||
| 軸端直径 | W -0.004 -0.029 |
H +0.1 0 |
|---|---|---|
| 6~7 | 2 | 1.2 |
| 8~10 | 3 | 1.8 |
| 11~12 | 4 | 2.5 |
| 13~17 | 5 | 3 |
| 18~20 | 6 | 3.5 |
![]() |
|||
| 軸端直径 | SZC ±0.1 |
S ±0.1 |
H 0 -0.2 |
|---|---|---|---|
| 8 | 4 | 4 | 5 |
| 10 | 5 | 5 | 8 |
| 12 | 5 | 5 | 8 |
| 15 | 7 | 5 | 10 |
| 20 | 9 | 6 | 16 |
| 25 | 10 | 7 | 18 |
![]() |
|
| 軸端タップ規格 | MXPX有效牙 |
|---|---|
| 8 | M2.5XP0.45X6L |
| 10 | M3XP0.5X8L |
| 12 | M3XP0.5X8L |
| 15 | M5XP0.8X12L |
| 16 | M5XP0.8X12L |
| 20 | M6XP1.0X15L |
| 25 | M8XP0.25X20L |
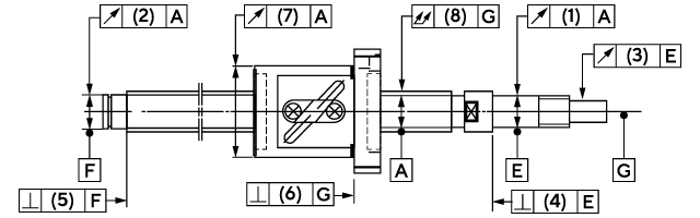
取付部の精度等級
精密ボールねじ |
![]() |
| (1)˙(2) (3) (4)˙(5) (6) (7) (8) |
ねじ軸の支持部に対するねじ溝面の半径方向円周振れ。この項目には(8)ねじ軸軸線直径向全振れの影響が含まれますので補正を行う場合があります。 ねじ軸の支持部軸線に対する取付部の半径方向の振れ。 ねじ軸の支持部軸線に対する支持部端面の直角度。 ねじ軸の軸線に対するナット基準端面または、フランジ取付面の直角度。 ねじ軸の軸線に対するナット外周面の半径方向円周振れ。 ねじ軸の全振れ。 |

| 型式 | Type | C3 | C5 | C7 | C10 | ||||||||||||||||||||
|---|---|---|---|---|---|---|---|---|---|---|---|---|---|---|---|---|---|---|---|---|---|---|---|---|---|
| ねじ軸 外径 |
08 | 10 | 12 | 15 | 20 | 25 | 08 | 10 | 12 | 15 | 20 | 25 | 08 | 10 | 12 | 15 | 20 | 25 | 08 | 10 | 12 | 15 | 20 | 25 | |
| (1)(2) 振れ公差(最大) |
0.008 | 0.009 | 0.010 | 0.010 | 0.011 | 0.012 | 0.013 | 0.014 | 0.020 | 0.040 | 0.060 | ||||||||||||||
| (3)振れ公差(最大) | 0.008 | 0.009 | 0.010 | 0.010 | 0.011 | 0.012 | 0.013 | 0.014 | 0.020 | 0.040 | 0.060 | ||||||||||||||
| (4)(5)直角度公差(最大) | 0.004 | 0.005 | 0.007 | 0.010 | |||||||||||||||||||||
| (6)直角度公差(最大) | 0.008 | 0.010 | 0.011 | 0.013 | 0.014 | 0.018 | - | ||||||||||||||||||
| (7)振れ公差(最大) | 0.009 | 0.010 | 0.012 | 0.015 | 0.019 | 0.020 | 0.030 | - | |||||||||||||||||
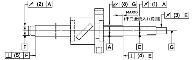
転造ボールねじ |
![]() |
| リード精度 | |||||
|---|---|---|---|---|---|
| ねじ部有効長 | 精度等級 | ||||
| を超え | 以下 | C3 | C5 | ||
| 代表移動量 誤差 |
変動 | 代表移動量 誤差 |
変動 | ||
| - | 315 | 12 | 8 | 23 | 18 |
| 315 | 400 | 13 | 10 | 25 | 20 |
| 400 | 500 | 15 | 10 | 27 | 20 |
| 500 | 630 | 16 | 12 | 30 | 23 |
| 630 | 800 | 18 | 13 | 35 | 25 |
| 800 | 1000 | 21 | 15 | 40 | 27 |
| 1000 | 1250 | 24 | 16 | 46 | 30 |
| 1250 | 1600 | 29 | 18 | 54 | 35 |
単位:μm
| 精度等級 | C3 | |||||
|---|---|---|---|---|---|---|
| ねじ軸外径 | を超え | - | 8 | 12 | 20 | |
| 以下 | 8 | 12 | 20 | 32 | ||
| ね じ 軸 長 |
を超え | 以下 | 振れ公差 | |||
| - | 125 | 0.025 | 0.025 | 0.020 | - | |
| 125 | 200 | 0.035 | 0.035 | 0.025 | 0.020 | |
| 200 | 315 | 0.050 | 0.040 | 0.030 | 0.030 | |
| 315 | 400 | 0.060 | 0.050 | 0.040 | 0.035 | |
| 400 | 500 | 0.065 | 0.050 | 0.040 | ||
| 500 | 630 | 0.070 | 0.055 | 0.045 | ||
| 630 | 800 | 0.070 | 0.055 | |||
| 800 | 1000 | 0.095 | 0.065 | |||
| 1000 | 1250 | 0.120 | 0.085 | |||
単位:mm
| 精度等級 | C5 | |||||
|---|---|---|---|---|---|---|
| ねじ軸外径 | を超え | - | 8 | 12 | 20 | |
| 以下 | 8 | 12 | 20 | 32 | ||
| ね じ 軸 長 |
を超え | 以下 | 振れ公差 | |||
| - | 125 | 0.035 | 0.035 | 0.035 | - | |
| 125 | 200 | 0.050 | 0.040 | 0.040 | 0.035 | |
| 200 | 315 | 0.065 | 0.055 | 0.045 | 0.040 | |
| 315 | 400 | 0.075 | 0.065 | 0.055 | 0.045 | |
| 400 | 500 | 0.080 | 0.060 | 0.050 | ||
| 500 | 630 | 0.090 | 0.075 | 0.060 | ||
| 630 | 800 | 0.090 | 0.070 | |||
| 800 | 1000 | 0.120 | 0.085 | |||
| 1000 | 1250 | 0.150 | 0.100 | |||
單位:mm
| 精度等級 | C7 | |||||
|---|---|---|---|---|---|---|
| ねじ軸外径 | を超え | - | 8 | 12 | 20 | |
| 以下 | 8 | 12 | 20 | 32 | ||
| ね じ 軸 長 |
を超え | 以下 | 振れ公差 | |||
| - | 125 | 0.060 | 0.055 | 0.060 | - | |
| 125 | 200 | 0.075 | 0.065 | 0.070 | - | |
| 200 | 315 | 0.100 | 0.080 | 0.080 | 0.060 | |
| 315 | 400 | 0.100 | 0.095 | 0.070 | ||
| 400 | 500 | 0.120 | 0.110 | 0.080 | ||
| 500 | 630 | 0.150 | 0.140 | 0.090 | ||
| 630 | 800 | 0.170 | 0.100 | |||
| 800 | 1000 | 0.210 | 0.130 | |||
| 1000 | 1250 | 0.270 | 0.150 | |||
| 1250 | 1600 | 0.190 | ||||
| 1600 | 2000 | |||||
単位:mm
製造ラインの自動化及び金型産業の技術革新で、我々は金型部品とメカニカル部品を中心に生産するメーカーとして、最高品質の製品を安定供給し、相互にメリットのある長期的な関係の構築に努めます。
当社ホームページより取扱製品を拝見していただき、あらゆる工程において品質管理を徹底し、最高品質の材料を使い精密加工を行います。お客様のご要望及び最高品質の製品の提供に努めています。
(1).一貫生産体制。
(2).最小ロット数はなし、数1個でも製作可能。
(3).全工程での100%全数の品検はHEADWAY社内で行う。
(4).図面に関する特注品のお問い合わせが対応可能。
(5).製品に関する疑問点及びアフターサービスがございましたら、お気軽にご連絡ください。

















