产品列表
- 产品规格
- 为何选择汉德威
订购范例
HFB009-A-12-I
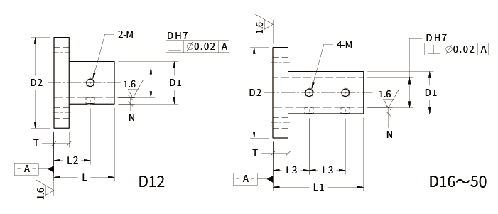
*此产品 D 尺寸 12 和 D16~50 的 2D 图示不同,请确认下订尺寸规格。
| HFB009 | 材质和表面处理 | 12 | I / II / III |
|---|---|---|---|
| | | | | | | | |
| 型号 | A:SS400 低碳钢˙染黑 | D 内径尺寸 | 法兰样式 |
| B:SS400 低碳钢˙镀无电解镍 | |||
| C:SUS304 不锈钢 |

| 内径公差 | ||||||
|---|---|---|---|---|---|---|
| D | 12~16 | 20~30 | 35~50 | |||
| H7 | +0.018 0 |
+0.021 0 |
+0.025 0 |
|||
STEP.1
请先选择材质和表面处理方式,再选择内径尺寸和确认所选规格参数
| 型号 | 材质 | 表面处理 |
|---|---|---|
| HFB009-A | SS400 低碳钢 | 染黑 |
| HFB009-B | 镀无电解镍 | |
| HFB009-C | SUS304 不锈钢 | - |
| D | 支撑部厚度(N) | D1 | D2 | L1 | L3 | T | M | P | K | W | P1 | F | d1 |
|---|---|---|---|---|---|---|---|---|---|---|---|---|---|
| 12 | 5 | 22 | 40 | 30 | 15 | 6 | M4 | 32 | 32 | 25 | 28 | 16 | 4.5 |
| 16 | 6 | 28 | 50 | 48 | 16 | 6 | M4 | 40 | 39 | 32 | 33 | 22 | 5.5 |
| 20 | 7.5 | 35 | 63 | 48 | 16 | 8 | M5 | 50 | 48 | 40 | 42 | 25 | 6.6 |
| 25 | 7.5 | 40 | 68 | 57 | 19 | 8 | M5 | 55 | 53 | 45 | 45 | 30 | 6.6 |
| 30 | 7.5 | 45 | 73 | 57 | 19 | 10 | M6 | 60 | 58 | 50 | 48 | 35 | 6.6 |
| 35 | 10 | 55 | 89 | 75 | 25 | 10 | M6 | 72 | 70 | 61 | 58 | 42 | 9 |
| 40 | 15 | 70 | 104 | 75 | 25 | 12 | M8 | 87 | 80 | 76 | 68 | 54 | 9 |
| 50 | 15 | 80 | 114 | 75 | 25 | 12 | M8 | 97 | 90 | 86 | 73 | 64 | 9 |
STEP.2
请选择法兰样式 I / II / III
| 法 兰 样 式 |
I | II | III | |
|---|---|---|---|---|
![]() |
![]() |
![]() |
||
HEADWAY 汉德威以卓越的品质、坚定的承诺和建立伙伴关系的精神,为您呈现。作为自动化与模具零组件制造商,我们深谙自动化与模具技术,并不断创新和改进,确保产品在性能和可靠性方面表现出色。
在HEADWAY 汉德威的官方网站上,不仅可以浏览产品型录,每款产品都代表着我们对品质的承诺和对客户需求的回应。我们严格控制制造过程,使用高品质材料并进行精密加工,确保每个产品都能完美符合您的期望。
(1).一贯化生产。
(2).无最小起定量,一个也能制作。
(3).100%检验-从生产到检验设备都由汉德威来完成。
(4).接受来图询问客制加工品。
(5).产品问题及后续售后服务,专人为您服务。






