产品列表
- 产品规格
- 为何选择汉德威
订购范例
HFB005-A-8-I
| HFB005 | 材质和表面处理 | 8 | I / II / III |
|---|---|---|---|
| | | | | | | | |
| 型号 | A:SS400 低碳钢˙染黑 | D 内径尺寸 | 法兰样式 |
| B:SS400 低碳钢˙镀无电解镍 | |||
| C:SUS304 不锈钢 | |||
| D:A6061 铝合金˙白色阳极 | |||
| E:A6061 铝合金˙黑色阳极 |

| 内径公差 | ||||||
|---|---|---|---|---|---|---|
| D | 8~10 | 12~18 | 20~30 | |||
| H7 | +0.015 0 |
+0.018 0 |
+0.021 0 |
|||
STEP.1
请先选择材质和表面处理方式,再选择内径尺寸和确认所选规格参数
| 型号 | 材质 | 表面处理 |
|---|---|---|
| HFB005-A | SS400 低碳钢 | 染黑 |
| HFB005-B | 镀无电解镍 | |
| HFB005-C | SUS304 不锈钢 | - |
| HFB005-D | A6061 铝合金 | 白色阳极 |
| HFB005-E | 黑色阳极 |
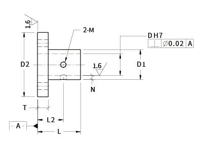
| D | 支撑部厚度(N) | D1 | D2 | L | L2 | T | M | P | K | W | P1 | F | M1 |
|---|---|---|---|---|---|---|---|---|---|---|---|---|---|
| 8 | 2 | 12 | 28 | 16 | 10 | 5 | M4 | 20 | 22 | 16 | 20 | - | M4 |
| 10 | 2 | 14 | 30 | 20 | 12 | 5 | M4 | 22 | 23 | 18 | 22 | - | M4 |
| 12 | 2 | 16 | 36 | 24 | 15 | 6 | M4 | 26 | 28 | 20 | 26 | - | M4 |
| 15 | 2.5 | 20 | 40 | 30 | 18 | 6 | M4 | 30 | 32 | 24 | 30 | - | M4 |
| 16 | 3 | 22 | 42 | 32 | 19 | 6 | M4 | 32 | 33 | 26 | 28 | 16 | M4 |
| 20 | 4 | 28 | 50 | 32 | 20 | 8 | M5 | 39 | 39 | 32 | 31 | 22 | M5 |
| 25 | 4 | 33 | 55 | 38 | 23 | 8 | M5 | 44 | 44 | 37 | 36 | 24 | M5 |
| 30 | 4 | 38 | 66 | 38 | 24 | 10 | M6 | 52 | 52 | 42 | 41 | 27 | M6 |
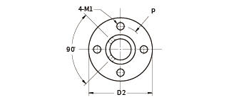
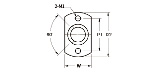
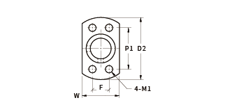
STEP.2
请选择法兰样式 I / II / III
| 法 兰 样 式 |
I | II | III | |
|---|---|---|---|---|
![]() |
![]() |
![]() |
![]() |
|
| D=3~15 | D=16~50 | |||
HEADWAY 汉德威以卓越的品质、坚定的承诺和建立伙伴关系的精神,为您呈现。作为自动化与模具零组件制造商,我们深谙自动化与模具技术,并不断创新和改进,确保产品在性能和可靠性方面表现出色。
在HEADWAY 汉德威的官方网站上,不仅可以浏览产品型录,每款产品都代表着我们对品质的承诺和对客户需求的回应。我们严格控制制造过程,使用高品质材料并进行精密加工,确保每个产品都能完美符合您的期望。
(1).一贯化生产。
(2).无最小起定量,一个也能制作。
(3).100%检验-从生产到检验设备都由汉德威来完成。
(4).接受来图询问客制加工品。
(5).产品问题及后续售后服务,专人为您服务。







